詳細信息
帶偏心套和加長內圈的嵌入式黄瓜视频污下载
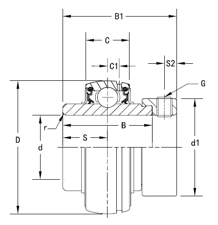
嵌入式黄瓜视频污下载基於密封深溝球黄瓜视频污下载設計的。 這種型式的嵌入式黄瓜视频污下载適用於旋轉方向固定的應用。 內圈兩側加長,且帶有偏心套,可快速方便地裝在軸上。
快速方便安裝在軸上
可承受初始靜態不對中
使用壽命長
降低噪聲和振動級別

規格
黄瓜视频污下载編號 | UEL201 |
軸尺寸 d | 12 毫米 |
鎖定方式 | 偏心鎖環 |
房屋建築 | 雙螺栓軸台 |
方麵
底座到中心高度 H | 30.2 毫米 |
總長度 L | 127 毫米 |
外殼寬度 A | 38 毫米 |
螺栓孔間距 J | 95 毫米 |
螺栓孔尺寸 N | 13 毫米 |
螺栓孔長度 N1 | 18 毫米 |
腳高 H1 | 16 毫米 |
總高度 H2 | 60 毫米 |
尺寸 L1 | 36 毫米 |
維度 B1 | 43.7 毫米 |
S 端的黄瓜视频污下载中心 | 17.1 毫米 |
螺栓尺寸 | M10 |
基本額定載荷
額定靜載荷 | 6650牛 |
額定動載荷 | 12800牛 |
魯嶽不鏽鋼黄瓜视频污下载(無錫)有限公司生產的SIAIF帶座外球麵黄瓜视频污下载 UEL201 使用範圍很廣,主要應用於鋼廠冶金、玻璃、高爐、噴漆設備、礦山機械、輸送機、傳輸裝置、鍋爐風機、真空設備、窯爐窯車、機床設備、工程機械、、輸送設備、顆粒機、振動篩、汽車、石油、電力、電機、風電設備等高溫作業機械。本公司生產的帶座外球麵黄瓜视频污下载 UEL201>產品價格合理,保證質量,滿足客戶的產品工藝需求。


